欢迎来到东虹鑫!
中国芯片防护整体解决方案厂家
标准品48H出货定制8天出货

13826547148

400-037-3188

当前位置: 首页 > 产品中心 > 铝料盒 > 12寸自动落锁晶圆切割提篮
< >

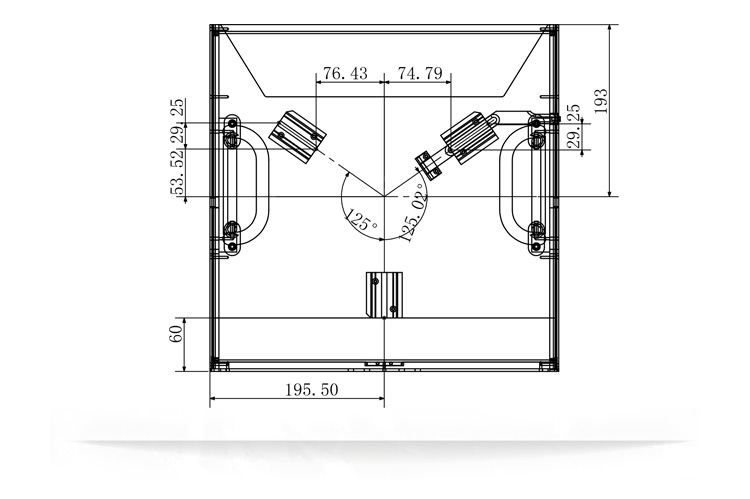
12寸自动落锁晶圆切割提篮

产品简介: 产品编号:DSF20A73-000-R0;12寸自动落锁晶圆切割提篮采用6061铝型材通过切割、cnc精密加工、表面氧化处理、组装校验等工序精制而成,产品精密度和平整度高稳定性好符合国内外主流切割划片设备技术要求,表面槽内光滑无毛刺晶圆片加工更顺畅更安全,有效帮助您的企业提高生产效率。马上咨询获取新款自动落锁提篮优惠报价吧!
400-037-3188
产品详情介绍